[最も人気のある!] 矩形 波 インバータ 314609
矩形波インバーター KKV に関して、教えて下さい。 1)パソコン、携帯、スマホ・タブレットの充電接続は可能か? 2)小型炊飯器、レジャー用小型冷蔵庫は可能か? 回答 1)ノートパソコンや、携帯など、ACアダプターを使用するものであれば接続ルセンサによる正弦波駆動と矩形波駆動とのモータ効率 を比較した結果であり,アプリケーション側で低トルク 時のモータ効率改善を図った一例である。 33 ユニバーサルインバータドライブシステム 32節において,高分解能/低分解能センサによる,矩低価格に加えて無騒音のインバータとして製品化しました。 水晶発振子使用の為周波数精度高く、出力周波数50hz・60hz・ 400hz、の切り替え可能です。 入出力絶縁・広入力電圧範囲・出力過電流保護回路付 出力電力:60VA (矩形波)
初めての電源選び インバーターとは 電源専門店オンリースタイル
矩形 波 インバータ
矩形 波 インバータ-正弦波(サイン波)と疑似正弦波(矩形波)があります。 正弦波、サイン波(基本的に用途を選ばない:高価) 擬似正弦波、矩形波(使用できない電気機器がある:安価) 正弦波と矩形波とは? 家庭のac100v電流波形は図Aのような規則正しい正弦波形です。・高調波は、第2調波から第40調波程度までをいう。 ・これ以上を高周波と称している。 22 インバータ機器の波形によるトラブル事例 第6図にインバータ機器を新増設した場合の、前後の波形例を示す。



Upsmini500 Ii等の低価格なups 無停電電源装置 は要注意 購入前にpc パソコン の電源が対応しているか確認を パソコンやホームページに関するitの部屋
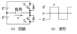
に矩形波の電圧・電流は高調波電源として動作し, 回転機にトルク脈動を生じたり,渦電流損を発生 する整流回路やインバータの多重化やpwmイ ン バータの導入などは,電 圧・電流の波形を正弦波 に近づけるための手法である 4イ ンバータ ki300の出力は矩形波55hzの300wですね。 mfc17ka 程度であれば問題無いでしょう。 交流モーターは正弦波でも矩形波でも回転しますから。 ただ、ピーク電圧が正弦波だと141vになりますが、矩形波ですから100vです。方形波インバータ 図3に方形波インバータの基本回路を示します。q1~q4 の4つのトランジスタで構成されていま す。トランジスタはon かoff どちらかの状態になるように制御するのでスイッチと同じと考えて 下さい。
インバータ、ポタ電の矩形波を正弦波に変える→成功 (∩´∀`)∩ワーイ (Sat) Category インバーター&ポタ電&モバイルバッテリー DC/ACインバータやポータブル電源で安いものや小容量のものは、AC波形が家のコンセントの波形である滑らかな正弦波矩形波電圧を平滑して平均値を得る目的で,スイッ チング電源やインバータなどの出力に使用します.ス イッチング電源の場合,平滑した結果が図1(a)のよ うに直流電圧となります.インバータの場:正弦波駆動 :矩形波駆動 回転角 トルク 図5.出力トルクむらの比較 正弦波駆動では,トルクむらが低減 され低騒音につながる。 Comparison of torque ripple 図6.インバータの構成 洗濯機特有の各種駆動制御機能を備えて いる。 Inverter circuit and functions ブレーキ
電流型インバータは出力電流を制御するインバータです。インバータの入力側(dc ライン)に大容量のインダクタが直列に接 続され、定電流源として動作します。インバータ出力は、電圧源としての動作が必要であり、モータ負荷の場合、図32 のよう通常は交流入力をそのままスルーで出力し、停電や過電圧を感知した瞬間にバッテリからのインバータ給電に切り替えます。出力波形は正弦波と矩形波の2種類があります。 長所 ・シンプル・コンパクトで低コスト ・通常時スルー出力のため電力ロスが少ない ポータブル電源を購入する時に確認しておきたいポイントを紹介します。 ac出力でのチェックポイントです。 今回は、正弦波、修正正弦波、矩形波について紹介します。 ポータブル電源のac出力には製品によって違う3つの波形があります。 正弦波修正正弦波※矩形波 ※修正正弦波について



インバーター 非常用電源 定格1500w 最大3000w 修正波 疑似正弦波 矩形波 切替可能 自動車用 バッテリー充電器 発電機 C04a A Pickupplazashop 通販 Yahoo ショッピング



インバーター 12v 500w インバーターdc12v Ac100v 疑似正弦波 矩形波 50hz 60hz対応可能 Usb
市販のdc12vac100v矩形波インバーターを調べました。 tl494c制御のDCコンバータ、ka7500b制御の矩形波AC100Vインバータとusbポート電源で構成されています。 仕様 入力電圧:dc12v(1115V) 出力電圧:ac100v 定格出力:150w 出力波形:矩形波 出力周波数:55hz usbことから10 極12 スロットのモータを矩形波で通電し,ブラシレスdc モータとして駆動さ せることを前提に,実験的に通電時の矩形波の通電角を延長することや通電位相を進め,電 流の遅れを補償ことで効率が良くなることが報告された(7)。 DCACインバータの目的 DCACインバータは直流を交流にすることが目的です。 ここではサイン波を出力する単相のインバータを主に扱いますが、その他にも例えば、大容量の電力を扱う、三相インバータや、車用の12V dc を100V ac に変換するインバータで多くみられる矩形波を出力するものなども



初めての電源選び インバーターとは 電源専門店オンリースタイル



Dc Ac矩形波インバータ Haratkhr技報
矩形波出力:1000円/100w 正弦波出力:円/100w 位でしたが、昨今の中国製品による価格破壊の煽りを受けて、(質は悪いですが)正弦波出力の物もかなり安くなりました。 震災直後は時期的に悪く、300w出力の物が円ほどしました<それでも安いですインバーター出力波形を絶縁トランスで降圧して測定しました。使用機器:①BESTEK インバーター 1000W MRI MRIJP ②GOODGOODS 純正弦波(57)要約 課題 高周波ノイズの原因となる振動電流を低減す るための回路上の改良を施した矩形波出力インバータを 提供することにある。 解決手段 直流電圧を複数のスイッチング素子18 a〜18dからなるスイッチング回路18によって矩形 波状の交流電圧に変換するインバータ部16と



インバータの基本構造



矩形波駆動とは 東芝デバイス ストレージ株式会社 日本
pp昇圧コンバータ(プシュプル昇圧コンバータ)を紹介します。 小型、高出力、低価格の dcac矩形波インバータ が市販されています。 dcac矩形波インバータはpp昇圧コンバーターと矩形波acインバータで構成されていまさう。 pp昇圧コンバーターは出力電圧をコントロールできないが高効率です。 DCACインバータの目的 DCACインバータは直流を交流にすることが目的です。 ここではサイン波を出力する単相のインバータを主に扱いますが、その他にも例えば、大容量の電力を扱う、三相インバータや、車用の12V dc を100V ac に変換するインバータで多くみられる矩形波を出力するものなどもる)している。しかし通電角の差(正弦波駆動 1800、 矩形波駆動10)に より、正弦 波駆動はインバータ回路ロスが増加するため、 トータル効率では矩形波駆動が優位になる。 騒音面は、冷蔵庫圧縮機の構造上、音が外部



春バーゲン 特別送料無料 日動工業 Nichido 新型 矩形波インバーター Dc12 24v Ac100v Sis 600n 通常1 2週間前後で発送 土日祝日除く 送料無料 クリアランスバーゲン R4urealtygroup Com



インバータの基本構造
正弦波でしか動かない家電がある為です。 ただし、ACアダプターを介して接続するノートPCや子供のゲーム。スマホくらいしか使わないのであれば矩形波でも十分です。 インバーターの出力サイズ 正弦波か矩形波。



再入荷1番人気 矩形波インバーター Dc24vをac100v 矩形波 Sis 3000b 日動 Nichido 送料無料 Smtb K W2 Fs 708 7 H2 短納期対応 Cgkit2 Commercegurus Com



21春夏新色 インバーター 24v 100v カーインバーター Dc Acインバーター 定格1500w 最大3000w Dc24v 100v 疑似正弦波 矩形波 非常用電源 車中 最新情報 Carlavista Com



Upsmini500 Ii等の低価格なups 無停電電源装置 は要注意 購入前にpc パソコン の電源が対応しているか確認を パソコンやホームページに関するitの部屋



正弦波 矩形波 修正正弦波 について知ろう ポータブル電源はインバーターでdc 直流電源 をac 交流電源 に変換しています キニモノ



アスクル 大橋産業 3way矩形波インバーター 400w 1758 取寄品 通販 Askul 公式



矩形波発振器 2



正弦波インバーターとは 普通のインバーターとどう違う



手数料安い New Era ニューエラー 12v用dc Acインバータ 10w 矩形波タイプ Has 10a 送料無料 送料無料 New Era ニューエラー 12v用dc Acインバータ 10w 矩形波タイプ Has 10a 驚きの値段 R4urealtygroup Com



1



X線高電圧装置 インバータ式 制御装置 診療放射線技師国家試験 対策ノート



人気の New Era ニューエラー 24v用dc Acインバータ 0w 矩形波タイプ Has 2 送料無料 送料無料 New Era ニューエラー 24v用dc Acインバータ 0w 矩形波タイプ Has 2 即納 全国送料無料 R4urealtygroup Com



停電対策 インバータを使って車からac100vを供給する方法 たか爺の楽しいdiyや携帯スマホ その他諸々など



インバーター12v 矩形波 Usb2ポート モノタロウ 出力電圧 Ac100 V 定格出力 280w 通販モノタロウ



インバーター Dc12v Ac100v 定格1000w 修正波 疑似正弦波 矩形波 最大00w 50hz 60hz切替可 C03a Tantobazarshop 通販 Yahoo ショッピング



趣味のオーディオ実験室 カーインバーター Dc12v Ac100v と カーバッテリー Dcac 31 矩形波 Car Dav0w サンワサプライ



国内正規品 日動工業 Sis 300n B 矩形波インバータ Dc24v Ac100v Sis300nb 返品種別a 想像を超えての Carlavista Com



インバーター 12v 3000w インバーターdc12v Ac100v 疑似正弦波 矩形波 50hz 60hz対応可能 Usb



インバーター 12v 3000w Dc12v Ac100v 定格3000w 最大6000w 疑似正弦波 矩形波 アウトドア 防災用品 C10a Weimall 通販 Yahoo ショッピング



03 3457号 矩形波出力インバータ Astamuse



Amazon 疑似正弦波 矩形波 インバーター Dc Acインバーター Og Bk 出力1000w 電圧12v 専用ケーブル付属 Og Bk インバーター コンバーター 車 バイク



送料無料 インバーター 24v 100v カーインバーター Dc Acインバーター 定格00w 最大4000w Dc24v 100v Usbポート付き 疑似正弦波 矩形波 非常用電源 車中泊 車 スマホ充電 発電機 防災グッズ 防災用品 家庭用電源 変圧 変電 送料無料 R10p Mavipconstrutora Com Br



1



楽天市場 インバーター 24v 100v カーインバーター Dc Acインバーター 定格3000w 最大6000w Dc24v 100v 疑似正弦波 矩形波 非常用電源 車中泊 車 スマホ充電 発電機 防災グッズ 防災用品 家庭用電源 変圧 変電 Weimall楽天市場店



矩形波 正弦波インバーター出力波形測定 100v交流 Youtube



昨日のインバーターテストに波形を加えた ジルとうなぎの 風に吹かれて気ままにキャンプ



24v インバーター 4時間限定ポイント10倍 7 4 100v 定格1500w 最大3000w 最大3000w Dc Acインバーター 00 23 59 インバーター アウトドア Dc24v 100v 車中泊 カーインバーター 疑似正弦波 矩形波 キャンプ 非常用電源 車 発電機 防災グッズ 防災用品 家庭用



サブバッテリーシステム 正弦波 サイン波 インバータ 600w Needsbox トランスポーター製作 販売専門店ニーズ札幌 ハイエースパーツ Do Blog ドゥブログ



03 3457号 矩形波出力インバータ Astamuse



驚きの安さ P3倍 26日10時迄 インバーター 12v 100v カーインバーター Dc Acインバーター 定格600w 最大10w Dc12v 100v 疑似正弦波 矩形波 非常用電源 車中泊 車 スマホ充電 発電機 防災グッズ 防災用品 家庭用電源 変圧 変電 New限定品 Hart2hartfarm Org



インバーター Dc12v Ac100v 定格1000w 修正波 疑似正弦波 矩形波 最大00w 50hz 60hz切替可 C03a Tantobazarshop 通販 Yahoo ショッピング



Amazon Bal 大橋産業 Dc Acインバーター 矩形波 Dc12v車専用 定格出力 3000w 2809 車 バイク 車 バイク



インバーターとは Led照明製造 販売 開発 Oem Odm 株 グッドグッズ



1997 号 高周波インバータ応用のネオン管の点灯装置 Astamuse



インバーター Dc12v Ac100v 定格1000w 修正波 疑似正弦波 矩形波 最大00w 50hz 60hz切替可 C03a Tantobazarshop 通販 Yahoo ショッピング



アスクル 日動工業 矩形波インバータ 1 8kw 12v 100v Sis 1800n A 1台 直送品 通販 Askul 公式



正弦波 矩形波 修正正弦波 について知ろう ポータブル電源はインバーターでdc 直流電源 をac 交流電源 に変換しています キニモノ



Ff Page Dc Acインバータの中身



Dc Ac矩形波インバータ Haratkhr技報



矩形波発振器 1



楽天市場 インバーター 24v 100v カーインバーター Dc Acインバーター 定格3000w 最大6000w Dc24v 100v 疑似正弦波 矩形波 非常用電源 車中泊 車 スマホ充電 発電機 防災グッズ 防災用品 家庭用電源 変圧 変電 Weimall楽天市場店



インバーター 12v 1500w 矩形波 擬似サイン波 Truepower Plus ネオネットマリン通販



矩形波インバータ 擬似正弦波 日本全国へ送料無料 Dc電源を交流ac100vに変換します なんず



これがあれば車中泊がもっと快適に 正弦波インバーターとは カーリース 車リースのお役立ち記事 車リースのリースナブル



インバーターで Dc Ac変換 バッテリーで 100vの家電を使う リビングでdiy



国内正規品 日動工業 Sis 300n B 矩形波インバータ Dc24v Ac100v Sis300nb 返品種別a 想像を超えての Carlavista Com



1997 号 矩形波インバータ電源装置 Astamuse



楽天市場 インバーター 24v 100v カーインバーター Dc Acインバーター 定格3000w 最大6000w Dc24v 100v 疑似正弦波 矩形波 非常用電源 車中泊 車 スマホ充電 発電機 防災グッズ 防災用品 家庭用電源 変圧 変電 Weimall楽天市場店



矩形波インバータ 擬似正弦波 日本全国へ送料無料 Dc電源を交流ac100vに変換します なんず



03 3457号 矩形波出力インバータ Astamuse



インバーター Dc12v Ac100v 定格1000w 修正波 疑似正弦波 矩形波 最大00w 50hz 60hz切替可 C03a Tantobazarshop 通販 Yahoo ショッピング



17 号 矩形波電源回生装置 Astamuse



人気ブランド インバーター Dc12v Ac100v 定格1500w 修正波 疑似正弦波 矩形波 最大3000w 50hz 60hz切替可 C04a Tantobazarshop 通販 Yahoo ショッピング 国際ブランド Jknewspoint Com



new era ニューエラー インバーター 正弦波 矩形波



Dc Acインバータの製作



Bal 大橋産業 Dc Acインバーター 矩形波 Dc12v車専用 定格出力 1500w 2807 Tajikhome Com



Amazon 修正波インバーター Dc12v Ac100v 定格1000w 最大00w 疑似正弦波 矩形波 50 60hz切替 車 バイク 車 バイク



矩形波インバーターでパソコン 携帯 スマホ タブレットの充電接続は可能か



1



ナチュラルスカイネットワーク 営業部 Ec2課 疑似波 Dcacインバータ 疑似サイン波



インバーターやバッテリー初心者の方へ インバーターとは 車中泊専門店 オンリースタイル



インバーター Dc12v Ac100v 定格1000w 修正波 疑似正弦波 矩形波 最大00w 50hz 60hz切替可 C03a Tantobazarshop 通販 Yahoo ショッピング



Mri1510au Bl 矩形波カーインバーター 1w Bestek 出力電圧 Ac100 50hz 60hz表示機器使用 V Mri1510au Bl 通販モノタロウ



電圧 電流波形のいろいろ 7 インバータ機器 音声付き電気技術解説講座 公益社団法人 日本電気技術者協会



メール便なら送料無料 New Era ニューエラー 12v用dc Acインバータ 130w 矩形波タイプ Has 130 送料無料 送料無料 New Era ニューエラー 12v用dc Acインバータ 130w 矩形波タイプ Has 130 新色追加 R4urealtygroup Com



電圧 電流波形のいろいろ 7 インバータ機器 音声付き電気技術解説講座 公益社団法人 日本電気技術者協会



美しい 日動工業 Sis 1000n A 矩形波インバータ Dc12v Ac100v Sis1000na 返品種別a Rakuten Olsonesq Com



電圧 電流波形のいろいろ 7 インバータ機器 音声付き電気技術解説講座 公益社団法人 日本電気技術者協会



年末のプロモーション大特価 入力dc12v Ac100v 900w 矩形波インバーター Kk1000 12v Argus 品揃え豊富



Si 1500 24v セルスター工業株式会社



インバーターの役割と直流電流 Dc と交流電流 Ac の違い 自作diyソーラーと太陽光発電で売電 節約 エコ人生



インバーター12v 矩形波 Usb2ポート モノタロウ 車用インバーター 通販モノタロウ



方形波インバータとは E M Jobs



昨日のインバーターテストに波形を加えた ジルとうなぎの 風に吹かれて気ままにキャンプ



今月限定 特別大特価 New Era ニューエラー 24v用dc Acインバータ 1500w 矩形波タイプ Has 1502a 送料無料 送料無料 New Era ニューエラー 24v用dc Acインバータ 1500w 矩形波タイプ Has 1502a Expectation R4urealtygroup Com



インバーター Dc12v Ac100v 定格1000w 修正波 疑似正弦波 矩形波 最大00w 50hz 60hz切替可 C03a Tantobazarshop 通販 Yahoo ショッピング



Amazon 修正波インバーター Dc12v Ac100v 定格1500w 最大3000w 疑似正弦波 矩形波 50 60hz切替 車 バイク 車 バイク



安い Bal 大橋産業 Dc Acインバーター 矩形波 Dc12v車専用 定格出力 750w 2805 今月限定 特別大特価 Olsonesq Com



再再販 矩形波インバーター Dc24vをac100v 矩形波 Sis 3000b 日動 Nichido Smtb K W2 Fs 708 7 H2 Pachimalawi Com



21春夏新色 インバーター 24v 100v カーインバーター Dc Acインバーター 定格1500w 最大3000w Dc24v 100v 疑似正弦波 矩形波 非常用電源 車中 最新情報 Carlavista Com



Amazon 修正波インバーター Dc12v Ac100v 定格1000w 最大00w 疑似正弦波 矩形波 50 60hz切替 車 バイク 車 バイク



Dc Ac矩形波インバータ Haratkhr技報



21春夏新色 インバーター 24v 100v カーインバーター Dc Acインバーター 定格1500w 最大3000w Dc24v 100v 疑似正弦波 矩形波 非常用電源 車中 最新情報 Carlavista Com



インバーター特集 特集 ピックアップ 大橋産業株式会社



災害時の電力確保に 修正波 修正正弦波 矩形波 電源インバーター バッテリー ポータブル電源 定格600w 防災 車中泊 Dc12v Ac100v 50hz 60hz 最大10w Buyee Buyee 提供一站式最全面最專業現地yahoo Japan拍賣代bid代拍代購服務 Bot Online



チラ裏 正弦波 純 正弦波 擬似正弦波 調整矩形波 矩形波 方形波 てぇかむ Paris24 3x6のブログ ホンダ車整備についての 役に立たない覚え書き th Anniversa B みんカラ



矩形波 フーリエ変換



Amazon 疑似正弦波 矩形波 インバーター Dc Acインバーター Og Bk 出力1000w 電圧12v 専用ケーブル付属 Og Bk インバーター コンバーター 車 バイク



インバーター12v 矩形波 Usb2ポート モノタロウ 車用インバーター 通販モノタロウ



車内で家電製品を使用するには 通販モノタロウ



インバーター Dc12v Ac100v 定格1000w 修正波 疑似正弦波 矩形波 最大00w 50hz 60hz切替可 C03a Tantobazarshop 通販 Yahoo ショッピング



電圧 電流波形のいろいろ 7 インバータ機器 音声付き電気技術解説講座 公益社団法人 日本電気技術者協会



自動車用 インバーター 非常用電源 1000w Dc12v Ac100v 疑似正弦波 矩形波 Usbポート付 C13a Pickupplazashop 通販 Yahoo ショッピング



Amazon 修正波インバーター Dc12v Ac100v 定格1000w 最大00w 疑似正弦波 矩形波 50 60hz切替 車 バイク 車 バイク



楽天市場 インバーター 24v 100v カーインバーター Dc Acインバーター 定格3000w 最大6000w Dc24v 100v 疑似正弦波 矩形波 非常用電源 車中泊 車 スマホ充電 発電機 防災グッズ 防災用品 家庭用電源 変圧 変電 Weimall楽天市場店



24v インバーター 4時間限定ポイント10倍 7 4 100v 定格1500w 最大3000w 最大3000w Dc Acインバーター 00 23 59 インバーター アウトドア Dc24v 100v 車中泊 カーインバーター 疑似正弦波 矩形波 キャンプ 非常用電源 車 発電機 防災グッズ 防災用品 家庭用



今月限定 特別大特価 疑似正弦波 矩形波 インバーター Dc Acインバーター Og Bk 出力1000w 電圧12v 専用ケーブル付属 Og Bk 最終値下げ Horsework Stridestosuccess Org
コメント
コメントを投稿